滾珠導軌
- 產品介紹
- 技術參數
- 產品圖片
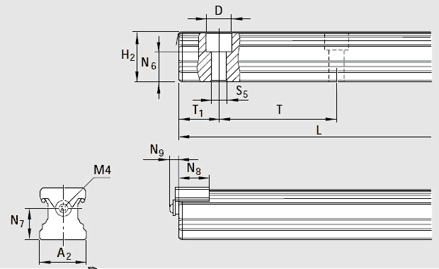
R160526431 力士樂滾珠導軌從上面用螺栓安裝,帶有按DIN EN ISO10088的耐腐蝕彈簧鋼制造的防護帶和螺栓擰緊式塑料防護端蓋(端面帶有螺紋孔)
安裝說明:
防護帶需固定
防護端蓋及螺栓和墊片在供貨范圍之內

| A2 | 15 | |
| D | 7.4 | |
| H21) | 16.30 | |
| Lmax2) | 3 836 | |
| N6 ±0.5 |
10.3 |
|
| N73) | 9.8 | |
| N8 | 14.0 | |
| N9 | 6.5 | |
| S5 | 4.4 | |
| T | 60 | |
| T1 min4) |
12 |
|
| T1s 5) | 28.0 | |
| T1 max | 50 | |
| 重量 | 1.4 | |
1)尺寸H2帶防護帶
規格15:帶0.1mm厚的防護帶
3)N7為帶防護帶的尺寸。
4)如果端部尺寸小于T1 min,則導軌端面不能加工螺紋孔。
5)推薦:首選尺寸T1s,公差 ±0.75。
6)由于加工原因,導軌的底面可能是平的(沒有底槽)。








