滾珠導軌
- 產品介紹
- 技術參數
- 產品圖片
力士樂導軌R160580431為帶塑料孔蓋的上安裝滾柱導軌
一根力士樂導軌可配多個力士樂滑塊:全系列的滾柱導軌導向系統,用戶可以對導軌和滑塊進行無限組合。力士樂所有精度等級滾珠導軌系統都具有高剛度和高承載能力,適用于幾乎所有需要精確線性傳動的場合。
力士樂為您提供線性傳動技術全系列的滾柱導軌系統、滾珠導軌系統、線性導套和軸、滾珠絲杠副和線性模塊系統。我們的線性傳動技術產品質量上乘,主要用于機械工程和自動化用途。我們還在對產品不斷進行優化和提高,包括小型化,提高承載能力,從而提高系統使用壽命。在線性傳動領域,我們已成為技術領先者,并在不斷開拓新的市場,比如研發集成了機械電子電器技術為一體的新產品和新系統。

|
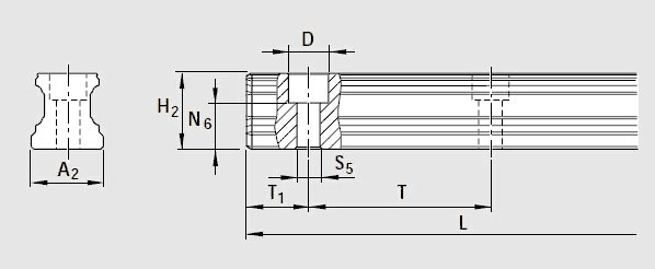
A2 |
20 |
|
D |
9.4 |
|
H21) |
20.55 |
|
Lmax2) |
3 836 |
|
N6 ±0.5 |
13.2 |
|
S5 |
6.0 |
|
T |
60 |
|
T1 min |
10 |
|
T1s3) |
28.0 |
|
T1 max |
50 |
|
重量 |
2.4 |
1)尺寸H2帶防護帶
2)對于規格20-45,精度N,H和P的滾珠導軌,單段供貨長度
規格20-25:*長可達5816mm
規格30-35:*長可達5836mm
規格45:*長可達5771mm
3)推薦:首選尺寸T1s,公差 ±0.75。
4)由于加工原因,導軌的底面可能是平的(沒有底槽)。








