滾柱導軌
- 產品介紹
- 技術參數
- 產品圖片
R180545231是帶塑料孔蓋的滾柱導軌
從上面用螺栓安裝,帶塑料孔蓋(塑料孔蓋也可以作為配件訂貨)
力士樂滾柱導軌安裝說明:
每根導軌的量測都有磨削的參考面。其未作標記,因為在側向固定時,每根導軌都可撞到定位邊的左或右側。
說明:
1.當導軌在安裝時沒有側向固定時,首選采用一個直尺來進行直度和平行度的校準(沒有附加側向固定時的允許側向力的參考值見“固定”)。
2.請使用安裝滑塊
3.安裝孔蓋或防護帶。
A導軌安裝好后,使用輔助塑料墊將塑料孔蓋輕敲入安裝孔,直至與導軌上表面平齊。
B在安裝鋼孔蓋時,應使用專用安裝工具。務必保證孔蓋與導軌上表面平齊后,才能安裝滑塊!

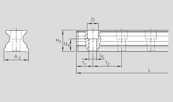
|
A2 |
45 |
|
D |
20 |
|
H2 |
38.80 |
|
Lmax1) |
4000 |
|
N6±0.5 |
22.4 |
|
S5 |
14 |
|
T1 min |
16 |
|
T1s2) |
24.25 |
|
T2 |
52.5 |
|
重量 |
10.3 |
1)精度等級H和P,規格35至65的導軌在特殊情況下,也可供貨長約為6000mm的單段導軌。
精度等級SP的導軌訂貨請詢問。
2)首選尺寸T1s,公差+0.5/-1.0








