滾柱滑塊
- 產品介紹
- 技術參數
- 產品圖片
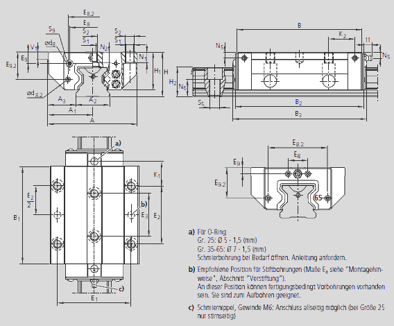
R185322216 力士樂滑塊FLS為法蘭型,長,標準高滑塊。
滑塊用6個螺栓安裝:
- 外圍4個螺栓,強度等級12.9
- 中間2個螺栓,強度等級8.8
-從上面進行油和脂潤滑的滑塊

| A | 70 | |
| A1 | 35 | |
| A2 | 23 | |
| A3 | 23.5 | |
| B | 109.0 | |
| B1 | 81.5 | |
| B2 | 111.0 | |
| B3 | 115 | |
| d8 | 6 | |
| d 8.2 | 5 | |
| E1 | 57 | |
| E2 | 45 | |
| E3 | 40 | |
| E8 | 33.4 | |
| E 8.2 | 40.22 | |
| E9 | 8.40 | |
| E 9.2 | 21.40 | |
| H | 36 | |
| H1 | 30 | |
| H2 1) | 23.60 | |
| H2 2) | 23.40 | |
| K1 | 23.10 | |
| K2 | -- | |
| N1 | 9 | |
| N2 | 7.3 | |
| N5 | 5.5 | |
| N6 ±0.5 | 14.3 | |
| S1 |
6.8 |
|
| S2 | M8 | |
| S5 | 7 | |
| S93) | M3-5深 | |
| T24) |
30.0 |
|
| V1 | 7.5 | |
| 重量 | 1.1 | |
| 額定載荷C | 33 300 |








