導軌滑塊配件
- 產品介紹
- 技術參數
- 產品圖片
力士樂氣動夾持元件R161914260通過氣壓實現夾持:夾持單元通過一套雙作用錐形滑閥機構,利用氣壓,將夾持型面壓在滾珠導軌中間的幅面上,適用于所有的滾珠導軌SNS。*大工作氣壓8bar;工作溫度范圍t:0-70℃。

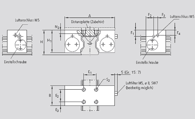
| A | 55 | |
| B | 39 | |
| E1 | 15 | |
| E2 | 15 | |
| E3 |
15.5 |
|
| F1 | 5.6 | |
| F2 | 34.0 | |
| F3 | 16.1 | |
| F4 | 34.0 | |
| H | 24 | |
| H11) | 20.8 | |
| N3 | 4.5 | |
| S2 | M4 | |
| X | 6.5 | |
| 夾持力氣壓2) N | 650 | |
| 耗氣量標準進氣口(dm3/行程) | 0.011 | |
| 重量 kg | 0.25 |
1)高滾珠滑塊.H.(...高...)需配墊板
2)在6 bar氣壓下的夾持力。試驗是在安裝完畢條件下進行的,具有一層潤滑油膜(ISO-VG68)。








