直線模組MLR
R114826010 MLR10-110力士樂模組
部 件 號:R114826010
系統:直線運動模塊,閉式(M)
導向系統:滾輪導軌導向系統(L)
傳動系統:齒形帶傳動系統(R)
021-57893800工作時間:周一至周五 9:00-18:00
- 產品介紹
- 技術參數
- 產品圖片
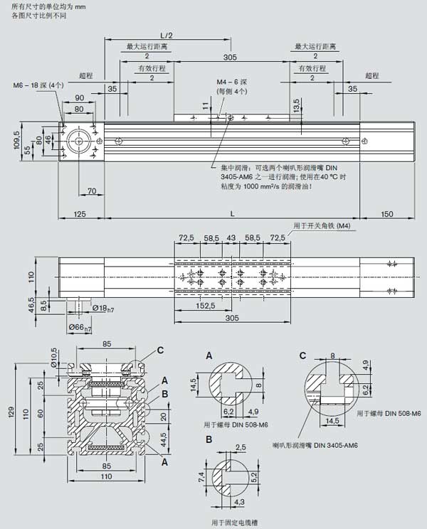
配有滾輪導軌導向系統和齒形帶傳動系統的直線運動模塊——R114826010 MLR10-110力士樂模組
集成式、無間隙力士樂滾輪導軌導向系統由于其專門的設計而擁有*高的速度 (至 10 m/s)。
彎曲變形:直線運動模塊的一個重要特性就是它的簡支安裝可能性。在此必須注意它的彎曲變形:它限制了可能的負載。在超過*大許用彎曲變形時,必須附加支撐。
*大許用彎曲變形 fmax:*大許用彎曲變形 fmax 取決于長度 L和負載 F。cc不許超過 fmax 值!在對系統動態特性有高要求時,應在每 300 至600 mm 間附加支撐。

| 滑臺長度 | 305 | |
| 額定動載荷 Cx | 31 000 | |
| 額定動載荷 Cy | 18 200 | |
| 額定動轉矩 Mt | 629 | |
| 額定動轉矩 ML | 1121 | |
| *大允許負載力力矩 Fx,max | 8000 | |
| *大允許負載力力矩 Fy,max | 4800 | |
| *大允許負載力力矩 Mt,max | 49 | |
| *大允許負載力力矩 Ml,max | 302 | |
| 滑臺重量 kg | 3.3 | |
| *大長度 Lmax | 10000 | |
| 面轉動慣量 lx | 423 | |
| 面轉動慣量 ly | 686 | |
| 齒形帶型號 | AT 10 | |
| 寬度 mm | 50 | |
| 齒距 mm | 10 | |
| *大齒形帶傳動力 N | 1740 | |
| 彈性*限 N | 7500 | |
| 重量 kg | 0.0141*L+10.3 |








