絲杠螺母
R150254076力士樂螺母FDM-E-C50 x 10R x 6 - 6
公稱直徑:50
導程:10R(R=右旋,L=左旋)
滾珠直徑:6
螺母內的螺旋圈數:6
021-57893800工作時間:周一至周五 9:00-18:00
- 產品介紹
- 技術參數
- 產品圖片
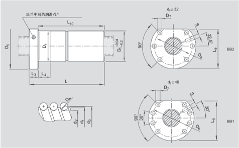
R150254076 力士樂螺母FDM-E-C50 x 10R x 6 - 6是法蘭式雙螺母,安裝尺寸按DIN 69 051,*五部分,帶標準密封。雙螺母是帶兩點接觸的、預緊的螺旋螺母的經典系統。通過兩個螺母在絲杠上相互間張緊而產生預緊,兩點接觸在*高預緊的情況下也能保證*好的運行。

| d1 | 24.0 | |
| d2 | 21.9 | |
| D1 /g6 | 40 | |
| D5 | 62 | |
| 孔圖 | BB2 | |
| D6 | 51 | |
| D7 | 6.6 | |
| L | 120 | |
| L3 | 12 | |
| L4 | 16 | |
| L9 | 55.0 | |
| L10 | 108 | |
| S3) | M6 | |
| 重量m(KG) | 0.77 | |
| 額定動載C(N) | 15700 | |
| 額定靜載C0 | 27000 | |
| 速度1)Vmax(m/min) | 60 |
1)帶標準密封
2)用于精密滾壓絲杠 SN-R 公差等級T5,T7








