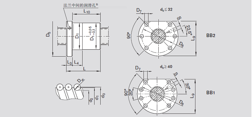
絲杠螺母
R150264086力士樂螺母FEM-E-C63 x 10R x 6 - 6
公稱直徑:63
導程:10(R=右旋,L=左旋)
滾珠直徑:6
螺母內的螺旋圈數:6
021-57893800工作時間:周一至周五 9:00-18:00
- 產品介紹
- 技術參數
- 產品圖片
R150264086 力士樂螺母:法蘭式單螺母FEM-E-C
優點:
––由于采用滾珠內循環設計,運行順暢
––由于優化的滾珠提離滾道方式,運行特別安靜
––預緊的單螺母也可調節
––由于滾珠數量多,擁有高額定載荷
––螺母長度短
––無突出部件,螺母易于安裝
––光滑的外表面
––高效的防塵密封
––產品系列多種多樣,備有現貨


1)帶標準密封
2)用于精密滾壓絲杠 SN-R 公差等級T5,T7,T9








