絲杠螺母
R1512110B0 力士樂螺母FDM-E-D 20x5Rx3-4
公稱直徑:20
導程:5R(R=右旋,L=左旋)
滾珠直徑:3
螺母內的螺旋圈數:4
021-57893800工作時間:周一至周五 9:00-18:00
- 產品介紹
- 技術參數
- 產品圖片
R1512110B0 力士樂螺母FDM-E-D 20x5Rx3-4是法蘭式雙螺母,標準系列,安裝尺寸標準按JIS B1192,表5.
特點:
1.帶標準密封
2.加強型密封見主產品樣本
3.帶軸向間隙,縮減的軸向間隙
4.預緊7%,10%
5.公差等級T3,T5,T7(T3等級請向我們詢問)

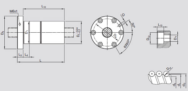
| 規格 | d0*P*DW-i | 20*5R*3-4 |
| 部件號 | R1512110B0 | |
| 螺母 | d0 | 20 |
| P | 5 | |
| D1 | 19 | |
| D2 | 16.9 | |
| D1 g6 |
44 | |
| D5 | 67 | |
| D6 | 55 | |
| D7 | 5.5 | |
| D12 | 9.5 | |
| L | 82 | |
| L3 | 11 | |
| L4 | 10 | |
| L10 | 71 | |
| L12 | 5.5 | |
| Q | M6*1 | |
| 重量m(kg) | 0.86 | |
| 額定載荷 | 額定動載C(N) | 14300 |
| 額定靜載C0(N) | 21500 | |
| 速度Vmax | (m/min) | 30 |








