軸端螺母
- 產品介紹
- 技術參數
- 產品圖片
R344600204 力士樂軸端螺母NMZ
––用于已有的設計
––用于同步帶側向驅動
––用于驅動螺母

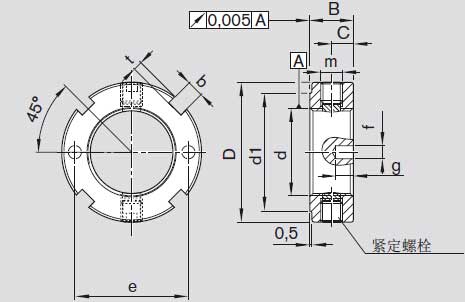
| 型號 | NMZ10*1 |
| 部件號 | R344600204 |
| d | M6*0.5 |
| D | 18 |
| B | 8 |
| d1 | 14 |
| c | 4 |
| m | M4 |
| b | 3 |
| t | 2 |
| e | 14 |
| f | 2.5 |
| g | 3.5 |
| MA(Nm) | 6 |
| FaB(kN) | 31 |
| MAG(Nm) | 1 |
| 重量(g) | 10 |
MA = 軸端螺母擰緊力矩
FaB = 軸端螺母軸向破壞載荷
MAG = 緊定螺釘的擰緊力矩








