型材及連接件
3842990720 力士樂支撐型材
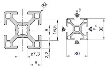
鎖坑寬度:8mm
型材型號:30*30
部件號:3842990720
產品系列:基本機械組件MPS
021-57893800工作時間:周一至周五 9:00-18:00
- 產品介紹
- 技術參數
- 產品圖片
單根型號:3842990720 力士樂支撐型材,長度范圍:50-5600mm,端部無加工
整包20根型號:3842509178*5600mm
8mm鎖坑的支撐型材:
8毫米寬鎖坑支撐型材適用于中等強度的應用場合,如手推車、情形框架及隔層。30*60*60型材適合于構造陳列柜及擱架。用弧形型材配合鉤狀物體和蓋子,能制造出美觀大方的外形,使用弧形鋁型材可以構造出美觀的外壁。

| 材質 | EN AW6060 |
| 顏色 | 自然色 |
| 表面處理 | 陽*氧化處理 |
| 慣性矩 | lx=2.8cm4 ly=2.8cm4 |
| 截面模量 | Wx=1.8cm3 Wy=1.8cm3 |
| 型材截面積 | 3.1cm2 |
| 重量 | 0.9kg/m |








